澳门金沙会娱乐城官网-澳门金沙网上娱乐合法_百家乐什么方法容易赢_全讯网sp

網站公告:
LED驅動及電源管理IC專業方案設計企業_深圳市華芯光電有限公司,我們恭迎您的來電! 誠信為本:市場在變,誠信永遠不變...
全國服務熱線:0755-23500973
DC/DC恒流News
HX3228ADC-DC降壓恒流芯片
作者:  來源:本站  發表時間:2018-11-19 14:06:31   瀏覽:

產品概述""

內置MOS開關降壓恒流芯片規格書


概述

HX3228A是一款內置100V功率MOS高效率高精度開關降壓型大功率LED恒流驅動芯片。HX3228A采用固定頻率的PWM工作模式,典型工作頻率為140KHZ。

HX3228A采用了平均電流檢測模式,因此具有優異的負載調整率特性。

HX3228A集成了高低亮功能,可以通過MODE端口實現高低亮功能切換。MODE懸空或接地為高亮模式,MODE接高電平為1/2電流的半亮模式。

HX3228A內部還集成了VDD穩壓管以及過溫保護電路等,減少外圍元件并提高系統可靠性。

HX3228A采用ESOP8封裝,散熱片內置接SW腳。

特點

◆內置100V MOS

◆寬壓輸入范圍8-100v

◆輸出電流范圍100ma-1.5A

◆高效率,可達93%

◆工作頻率:140KHz

◆芯片供電欠電壓保護:4.1V

◆平均電流工作模式

◆智能過溫保護

◆內置VDD穩壓管

定購信息

定購代碼

外型

包裝(個)

打印

HX3228A

ESOP-8

3000/盤

HX3328aXXXX


 


管腳圖

ESOP8腳位圖

序號

管腳

功能


1

GND

接地

2

VDD

芯片電源

3,7,8

NC

懸空不接

4

SW

開關腳,接內置MOS管漏極

5

CS

電感電流檢測腳

6

MODE

高低亮選擇腳

 

應用領域

◆電動自行車燈,摩托車燈

◆汽車照明

◆LED射燈

◆大功率LED照明

◆LED背光燈

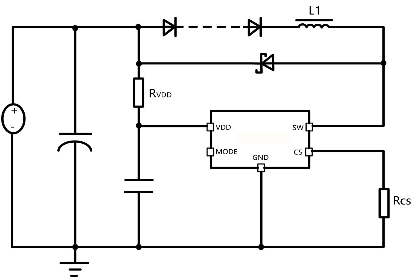
典型應用

極限參數

如無特殊說明,環境溫度為25℃

符號

描述

參考范圍

單位

VDD

VDD端最大電壓

6

V

VMAX

MODE與CS腳電壓

-0.3∽VDD+0.3

V

VSW

SW腳的最大電壓

100

V

PESOP8

ESOP8封裝最大功耗

0.8

W

TA

工作溫度范圍

-20∽85

TSTG

存儲溫度

-40∽120

TSD

焊接溫度范圍(時間小于30秒)

240

TESD

靜電耐壓值(人體模型)

2000

V

注:極限參數超過上表中規定的工作范圍可能導至器件損壞。而工作在以上條件下可能會導致器件的可靠性。

 

電特性

如無特殊說明,VDD=5.5V,TA=25℃

參數

符號

測試條件

最小值

典型值

最大值

單位

電源電壓

VDD鉗位電壓

VDD

IVDD<10mA

 

5.8

 

V

欠壓保護電壓

VDD_UVLO

VDD上升

 

4.1

 

V

欠壓保護遲滯

VDD_HYS

 

 

0.4

 

V

電源電流

工作電流

IOP

FOP=160KHz

 

1.8

 

mA

待機輸入電流

IINQ

無負載,EN為低電平

 

500

 

uA

電流采樣

VCS均值

VCS_TH

 

192

200

208

mV

工作頻率

工作頻率

FS

T

 

140

 

KHZ

MODE阻抗

 

MODE下拉電阻

R_DIM

 

 

80

 

KOHM

過溫保護

過溫調節

OTP_TH

 

 

140

 

 


功能描述

工作原理:

HX3228A采用固定頻率的PWM工作模式,典型工作頻率為140KHZ。HX3228A采用平均電流檢測模式,因此具有優異的負載調整率特性。

 

輸出電流設置:

LED輸出電流采樣RCS設定:ILED=0.2/RCS

 

電感取值:

為保證系統的輸出恒流特性,電感電流應工作在連續模式,要求的最小電感取值為:

L1>4 x VLED x (1-(VLED/VIN)) x (Rcs/FS)

MODE腳設置:

HX3228A可通過MODE腳進行高低亮功能選擇,MODE腳懸空或接地,則工作在高亮模式,LED全亮輸出。MODE腳接VDD,則工作在低亮模式,LED輸出電流減半。

芯片布局考慮

電流檢測電阻RCS到芯片CS引腳以及GND引腳的連線需短而粗,以減少連續寄生電阻對輸出電流精度影響。

供電電阻選擇:

HX3228A通過供電電阻RVDD對芯片VDD供電:

RVDD=(VIN-VDD)/IVDD

其中VDD取決5.8V,IVDD典型取值2mA,VIN為輸入電壓。芯片內部接VDD腳的穩壓管最大鉗位電流不超過10mA,應注意RVDD的取值不超過這個,以免流入VDD的電流超過允許值,否則需外接穩壓管鉗位。

過溫保護:

當芯片溫度過高時,系統會限制輸入電流峰值,典型情況下當芯片內部溫度超過140度以上時,過溫調節開始起做用:隨溫度升高輸入峰值電流逐漸減小,從而限制輸入功率,增強系統可靠性。

 

PCB設計說明

1、VDD電容必須靠近芯片的Pin1、Pin2腳(電容離芯片腳不遠于1.5MM),電容的接地端必須同一面,并與GND最短距離,否則芯片會由于電容的濾波不好而造成不良。

2、GND(Pin1)腳到CS腳走線盡可能地粗、短,降低接地的寄生電阻。

3、IC底部焊盤不能與GND(pin1)相連,IC底部散熱焊盤覆銅面積越大越好,有利于IC的散熱。

4、測試時請帶上防靜電手套,除了防止靜電外,更重要是防止在上電測試過程中,人手直接碰觸PCB,造成某兩個節點短路,造成模塊工作異常引發失效或者漏電。

5、生產制程中的設備(如烙鐵、電源機)外殼需要良好的接地,防止設備的交流漏電損壞芯片。

百家乐官网娱乐城有几家| 澳门百家乐官网网上| 太阳城大酒店| 凤凰网上娱乐| 百家乐官网增值公式| 百家乐官网试玩| 宝马会百家乐娱乐城| 宁河县| 奔驰百家乐可信吗| sp全讯网新2| 百家乐分析软件骗人| 顶级赌场手机版| 菲律宾百家乐官网赌场娱乐网规则 | 青鹏百家乐官网游戏币| 基础百家乐博牌规| 澳门百家乐官网威尼斯| 开店做生意的风水| 百家乐讲谈| 网络百家乐官网怎么作弊| 博彩网百家乐全讯网| 百家乐官网美女视频| 赌博百家乐秘笈| 德州扑克中文单机版| 百家乐论坛百科| 澳门赌百家乐心法| 筹码币百家乐官网麻将| 威尼斯人娱乐城游戏lm0| 新世纪百家乐官网娱乐城| 二八杠认牌绝技| 百家乐官网博弈指| 古交市| 免费百家乐计划软件| 百家乐金海岸娱乐| 九州百家乐官网娱乐城| 威尼斯人娱乐场官网48008 | 真人百家乐官网软件博彩吧| 太阳城娱乐官方网站| 天博百家乐官网娱乐城| bet365提款限制| 真人百家乐软件博彩吧| 百家乐官网投注心得和技巧|