澳门金沙会娱乐城官网-澳门金沙网上娱乐合法_百家乐什么方法容易赢_全讯网sp

網站公告:
LED驅動及電源管理IC專業方案設計企業_深圳市華芯光電有限公司,我們恭迎您的來電! 誠信為本:市場在變,誠信永遠不變...
全國服務熱線:0755-23500973
低壓線性News
  • HX301B-1AXX系列低壓燈條恒...

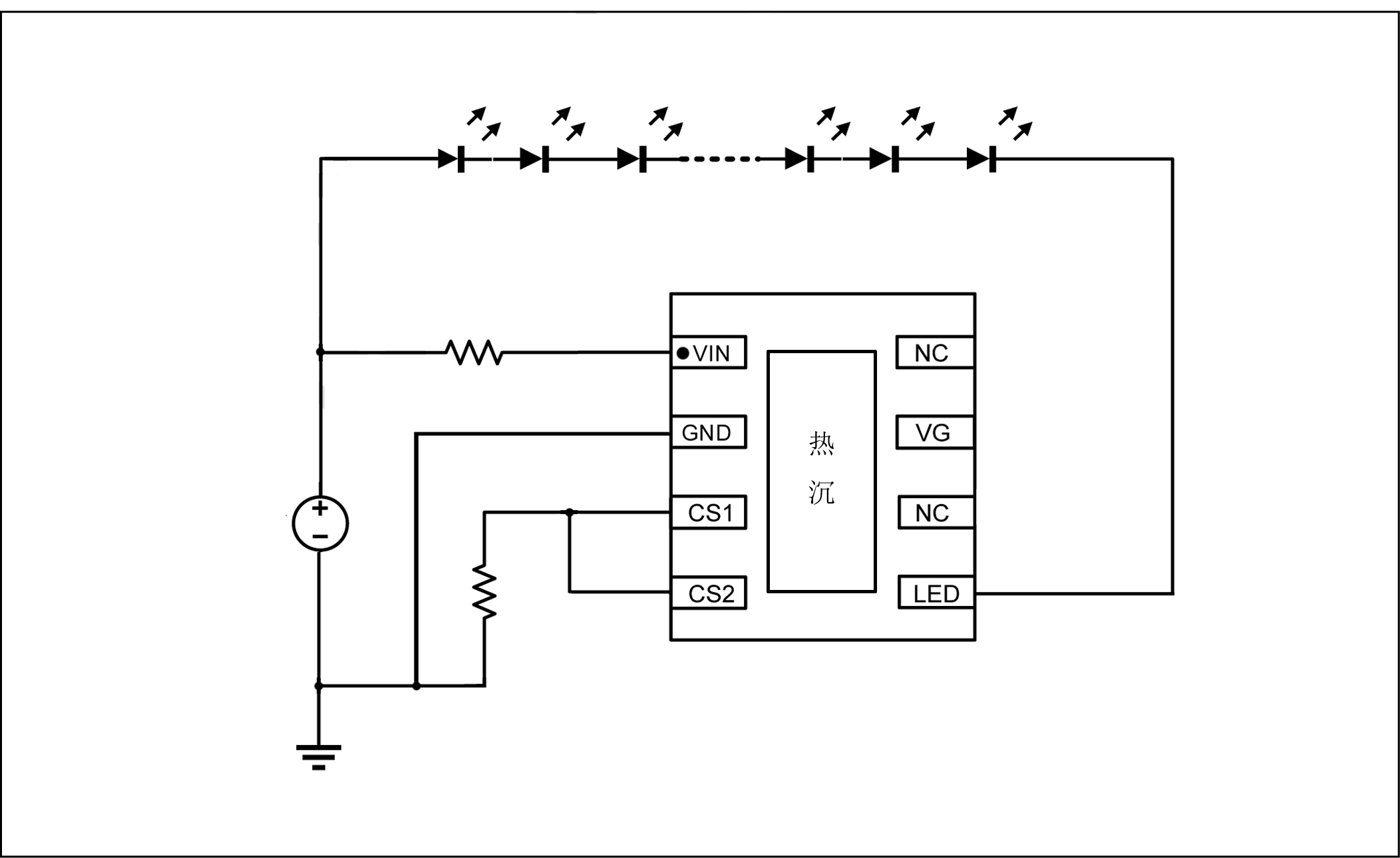
    HX301B-1AXX系列低壓燈條恒流IC2018-11-13 10:22:05

    產品說明: ????HX301B是一款專為LED照明而設計的恒流驅動芯片。其采用了先進的高壓COMS工藝制程,以及可靠,穩定的電路架構,保證了HX301B支持寬電壓輸入,并可以提供非常穩定的恒流輸出。HX301B的電源電壓線性調整率,負載調整率等恒流特性參數非常優異,可以有效地避免由于電源電壓波動而造成的LED燈具的亮度變化。HX301B極低的啟動...

  • 恒流二極管芯片NS20XX

    恒流二極管芯片NS20XX2019-08-02 13:14:51

    低壓差、高精度、高效率低壓恒流二極管NS20XX 概述 NS20XX是一款專為LED照明而設計的恒流驅動芯片。其采用了先進的高壓COMS工藝制程,以及可靠,穩定的電路架構,保證了NS20XX支持寬電壓輸入,并可以提供非常穩定的恒流輸出。 NS20XX的電源電壓線性調整率,負載調整率等恒流特性參數非常優異,可以有效地避免由于電源電壓波動而造成的LED燈...

  • 不加電感60V耐壓可調溫低壓差線性恒...

    不加電感60V耐壓可調溫低壓差線性恒流IC2019-09-06 09:33:46

    可調溫中低壓恒流驅動芯片HX312-2A280R 特點?????????????????????????????????????????????????實物圖 ◆60V耐壓 ◆SOP8封裝方式 ◆負載電流調變率小于0.5%/V ◆溫度調整率不高于±0.35%...

  • 三路PWM調光恒流芯片forsino...

    三路PWM調光恒流芯片forsinoco_HXCR313B2023-10-18 09:12:37

    概述 HXCR313B是一款LED低壓恒流驅動芯片,提供三通道恒定輸出電流,電流通過外接電阻(Rext)進行設定,單通道電流輸出最大300mA,輸出端可承受最大電壓達36V。 芯片的VCC電壓范圍為5~36V,低壓差驅動,使得HXCR313B能夠在寬驅動電壓范圍內提供穩定的電流輸出。HXCR313B外圍元件少,應用可靠性好,芯片內部包含高精度的帶隙基準源,...

  • 超低壓差恒流芯片R120-D

    超低壓差恒流芯片R120-D2023-09-25 12:03:46

    特點實物圖(SOT23-6) ◆輸入40V耐壓 ◆恒流拐點電壓低:IOUT=120mA@VDS=0.2V ◆負載電流調變率小于0.5%/V ◆溫度調整率不高于±0.35%/℃ ◆芯片具有過溫保護高溫下自動降電流 ◆SOT23封裝具有良好的散熱 概述 R120-D是一款適用于燈帶、燈條和燈板等應用的中低壓照明恒流驅動器,具有良好的抗沖擊能力和高可靠性。...

  • DC36V恒流芯片hxcr501rp...

    DC36V恒流芯片hxcr501rp2023-05-09 09:39:21

    60V/500mA可調電流LED恒流驅動器 特點??????????封裝圖(ESOP8-2P)???????????????????????????????????? ◆正向恒流60V耐壓 ◆最大持續導通電流通過電阻可調,最大可達500mA ◆負溫度系數隨著溫度的升...

  • 恒流二極管

    恒流二極管2023-03-09 09:43:03

    FORSINOCOCCR恒流驅動器NS2005NS2010NS2015NS2020NS2025NS2030NS2035NS2040NS2045NS2050 產品特色 ◆固定電流恒流驅動器,精度高 ◆固定電流設計,不需要外加電阻設定電流 ◆寬廣電源設計,不需另外提供電源 ◆VDD電壓范圍1.5V-17V ◆可通過系統電源端或者地線端做PWM調光 ◆顆粒...

  • 超低壓差恒流芯片R120-C

    超低壓差恒流芯片R120-C2023-01-11 10:10:49

    可調電流、低壓差LED恒流驅動器 特點 ◆耐壓48V ◆恒流轉折電壓0.15V ◆負載電流調變率小于0.5%/V ◆溫度調整率不高于±0.35%/℃ ◆最大持續導通電流120mA ◆芯片具有過溫保護高溫下自動降電流 ◆SOT23封裝具有良好的散熱 概述 R120-C是一款適用于燈帶、燈條和燈板等應用的中低壓照明恒流驅動器,具有良好的抗沖擊能力...

  • 低壓差線性恒流芯片HX303B

    低壓差線性恒流芯片HX303B2022-07-05 14:04:00

    60V低壓差線性恒流驅動器 概述 HX303B是一款耐壓150V的低壓線性大電流高精度LED驅動芯片,適合于輸入5~60V電壓范圍的LED驅動,輸出電流可調,僅需外接一個CS電阻就可以構成一個完整的恒流驅動電路,RCS電阻調節輸出范圍5-500MA,LED端口與GND之間的壓差應根據輸出電流與封裝功耗決定,視散熱狀況而定,壓差不要太大。 HX303B...

  • 48v燈條燈管雙線調光芯片HX360...

    48v燈條燈管雙線調光芯片HX360R2022-07-05 09:32:06

    中低壓恒流驅動器 特點 ◆OUT端口80V耐壓 ◆SOP8封裝便于PCB布線 ◆負載電流調變率小于0.5%/V ◆溫度調整率不高于±0.35%/℃ ◆帶溫度保護功能,可通過改變電阻Ra阻值來設定電流隨溫度的衰減速率及其溫度保護點,便于用戶靈活使用 ◆PWM信號控制開關 概述 HX360R是一款適用于低壓燈條、燈板和低壓照明應用的中低壓(高達8...

  • 燈帶燈條恒流芯片雙線調光R60芯片

    燈帶燈條恒流芯片雙線調光R60芯片2022-06-09 09:25:18

    30V,可調電流,LED恒流驅動器 特點??????實物圖????(SOT23-4)???????????????????????????????????? ◆正向恒流30V耐壓 ◆負載電流調變率小于0.5%/V ◆溫度調整率不高于±0.35%/℃ ◆最大持續導通...

  • 過溫過壓保護車燈恒流驅動器

    過溫過壓保護車燈恒流驅動器2020-09-16 08:28:51

    過溫、過壓保護車燈恒流驅動器HX327 特點 LED端口耐壓100V 可設定過溫、過壓保護 最大輸出電流1000mA 低壓差啟動0.5V(1000mA) 支持RGB輸出共陽 芯片應用系統無EMI問題 原理圖(具有過溫、過壓保護、耐壓高、電流大,過EMC,車燈定...

威尼斯人娱乐城简介| 全讯网168268| 尉犁县| 作弊百家乐官网赌具| 百家乐轮盘一体机厂家| 百家乐官网游戏网站 | 百家乐官网有赢钱公式吗| 找查百家乐玩法技巧| 合肥百家乐官网赌博游戏机| 百家乐破解版| 百家乐官网单打| 百家乐网哪一家做的最好呀| 百家乐官网国际赌场娱乐网规则| 大发888排行| 百家乐永利娱乐城| 澳门百家乐官网有赢钱的吗| 优博平台网址| 澳门百家乐规则视频| 百家乐官网八卦九| 扶风县| 威尼斯人娱乐代理| 百家乐官网出千工具价格| 姚记娱乐城安全| 巴黎人百家乐的玩法技巧和规则| 362百家乐官网的玩法技巧和规则| 最新皇冠足球投注比分网| 大发888娱乐城真假| 百家乐娱乐城优惠| 百家乐官网赌场破解方法| 龙游县| 大发888官方df888gfxzylc8| 游艇会百家乐官网的玩法技巧和规则| 皇冠网现金网| 大发888真钱棋牌| 至尊百家乐qvod| 百家乐官网机器昀程序| 保单百家乐游戏机| 加州百家乐官网的玩法技巧和规则| 真人百家乐官网ea平台| 玉田县| 德州扑克中文版|