澳门金沙会娱乐城官网-澳门金沙网上娱乐合法_百家乐什么方法容易赢_全讯网sp

網站公告:
LED驅動及電源管理IC專業方案設計企業_深圳市華芯光電有限公司,我們恭迎您的來電! 誠信為本:市場在變,誠信永遠不變...
全國服務熱線:0755-23500973
導航分類News
聯系我們 contact us
0755-23500973
手機:
137 6026 2620
經理:
何經理
郵箱:
jesion.he@ac-led.com.cn
地址:
深圳市光明區公明街道上村上輦工業區5棟3樓
企業新聞News
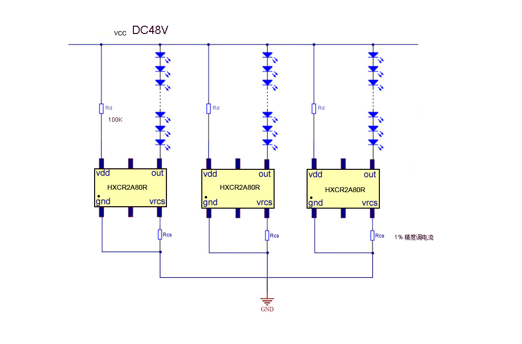
48v燈管燈條雙線調光恒流芯片HXCR2A80R
作者:  來源:本站  發表時間:2023-10-19 08:57:03   瀏覽:

60V可調電流LED恒流驅動器

特點

◆輸出端OUT恒流轉折電壓1.0V-1.5V(IP= 15mA → Vdrop ≈ 1.2V)

◆正向恒流60V耐壓

◆最大持續導通電流80mA

◆高調光比PWM調光

◆無頻閃高頻調光

◆負載電流調變率小于0.5%/V

◆SOT23-4封裝具有良好的散熱



概述

HXCR2A80R是一款內置高耐壓功率器件恒流驅動器,適用于軟燈帶、硬燈條和照明燈板等應用的中低壓照明恒流驅動器,具有良好的抗沖擊能力和高可靠性。LED電流由連接CS腳與GND腳的電阻RCS設定,恒流精度高,一致性好,LED電流也可以使用PWM調光控制。適用于恒壓電源供電,不需要額外組件,系統結構簡單,外圍元件極少,方案成本低。

HXCR2A80R采用 SOT23-6封裝,引腳導熱充分,散熱好。



實物圖 (SOT23-6)


應用領域

◆LED軟、硬燈條

◆標識牌照明模組(發光字,商標,招牌)

◆低壓照明     ◆智能照明


應用設計



博兴县| 百家乐官网五星宏辉怎么玩| 赌博拘留几天| 赌博百家乐作弊法| KK娱乐城| 网上赌百家乐被抓应该怎么处理| KK娱乐| 百家乐赌术大揭秘| 金榜百家乐官网娱乐城| 大发888好吗| 网上百家乐骗人的| 百家乐官网长龙有几个| 百家乐1元投注| 红宝石百家乐官网的玩法技巧和规则| 大发888真钱赌场娱乐网规则| 飞天百家乐官网的玩法技巧和规则 | 顶级赌场连环夺宝下载| 百樂坊百家乐官网的玩法技巧和规则 | 梦幻城百家乐官网的玩法技巧和规则 | 皇室百家乐官网的玩法技巧和规则| 现金网排行| 百家乐娱乐平台真钱游戏| 凤凰百家乐官网的玩法技巧和规则 | 网上百家乐官网心得| 免费百家乐追号工具| 百家乐官网博彩通博彩网皇冠网澳门赌场真人赌博 | 哪个百家乐官网投注比较好 | 风水24山里的四维八干| 在百家乐官网二庄两闲揽的概率 | 潘多拉百家乐官网的玩法技巧和规则 | 百家乐官网娱乐城公司| 大发888推广合作| 百家乐龙虎的投注法| 蓝盾百家乐官网赌场娱乐网规则| 足球博彩| 大发888开户注册哪家好| 机器百家乐作弊| 沙龙百家乐怎申请| 财富百家乐官网的玩法技巧和规则| 百家乐官网视频台球下载| 真钱棋牌导航网|