澳门金沙会娱乐城官网-澳门金沙网上娱乐合法_百家乐什么方法容易赢_全讯网sp

網站公告:
LED驅動及電源管理IC專業方案設計企業_深圳市華芯光電有限公司,我們恭迎您的來電! 誠信為本:市場在變,誠信永遠不變...
全國服務熱線:0755-23500973
LED驅動方案News
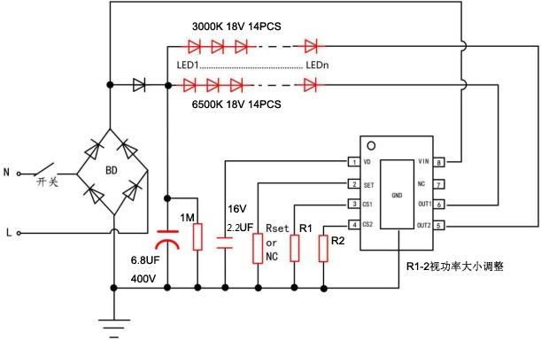
開關調光調色溫高壓線性無頻閃驅動
作者:華芯  來源:本站  發表時間:2020-12-15 09:26:28   瀏覽:

開關調光、變高壓線性恒流芯片

特點

1墻壁開關調節色溫和亮度功能

2輸出電流可調1-60MA,恒流精度可達±5%

3具有過溫保護功能,無EMC問題

4芯片與PCB共用鋁基板

5線路簡單,成本低

6ESOP8封裝


應用原理圖 開關調色無頻閃

應用場景


澳门百家乐现场游戏| 百家乐官网技术辅助软件| 大发888娱乐平台| 代理百家乐官网最多占成| 澳门百家乐大小| 互博百家乐官网现金网| 红树林百家乐的玩法技巧和规则 | 百家乐游戏接口| 百家乐官网平台出租家乐平台出租 | 百家乐官网对打反水| 百家乐电子路单谁| 网页百家乐官网官网| 亿酷棋牌官方下载| 百家乐注册赠金| 老牌百家乐官网娱乐城| 百家乐投注法| 赌场百家乐官网玩法介绍| 大发888捕鱼| 太阳百家乐3d博彩通| 最好的百家乐官网娱乐场| 大发888国际体育| 任我赢百家乐自动投注分析系统| 百家乐官网椅子| 捕鱼棋牌游戏| 万人迷百家乐的玩法技巧和规则| 百家乐官网园鼎丰娱乐城| 尊龙国际娱乐| 大发888中文版| 百家乐网站程序| 百家乐官网存200送200| 广东百家乐官网主论坛| 名门国际| 大发888 澳门赌场| 东莞百家乐的玩法技巧和规则| 八卦24山| 百家乐官网足球| 线上百家乐官网开户| 博盈百家乐游戏| 百家乐官网永利赌场娱乐网规则 | 威尼斯人娱乐场66| 百家乐保证赢|